Главная Каталог Поиск Ремонт Корзина
0
В наличии
Нет в наличии
Арт. a006606

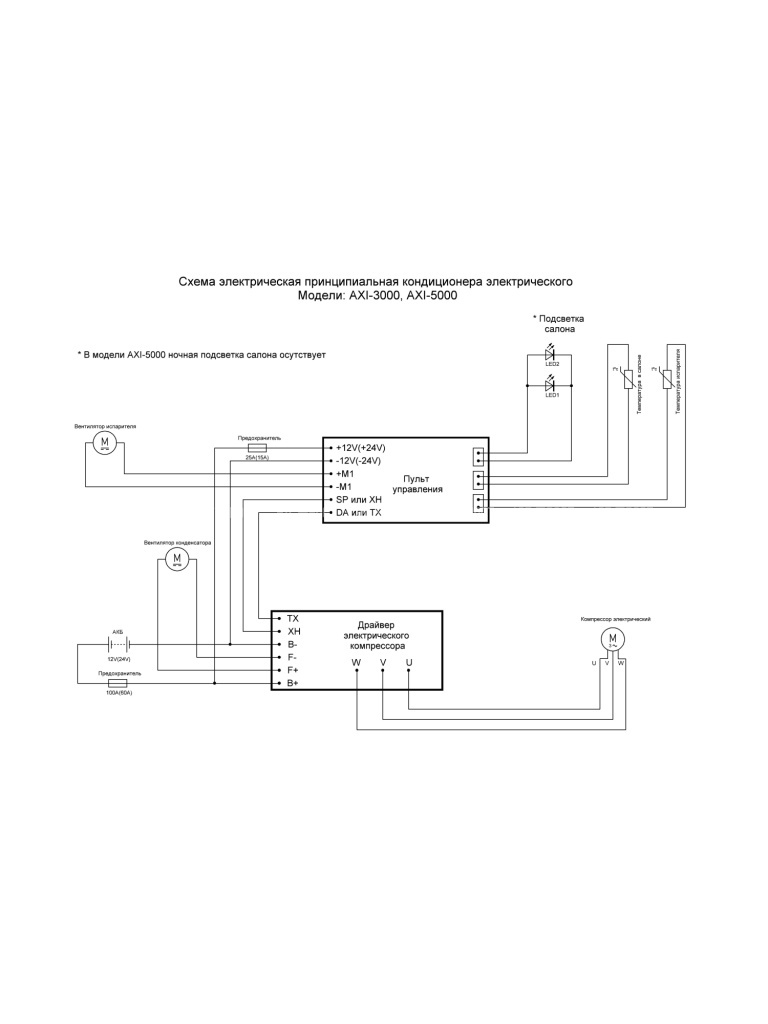
ЭЛЕКТРИЧЕСКИЙ МОНОБЛОК AXI 3000 24V

Характеристики / Показать все
Напряжение(В)
24
Номинальная мощность(Вт)
950
Номинальный ток(А)
12-30
Холодопроизводительность(Вт)
3000
Хладагент
R134a
  • Описание товара

    Компания Юг-Фрост предлагает автомобильные кондиционеры с электрическим компрессором. Особенность этих кондиционеров в том, что компрессор приводится в действие не механическим способом от двигателя автомобиля, как у всех моделей, а от автомобильной бортовой сети. 

    Мощность до 3 кВт. Прекрасное решение для охлаждения салона грузового транспорта или спецтехники. В комплект кондиционера входит набор метизов, соединительные шланги и моноблок. Монтаж оборудование можно произвести самостоятельно, останется только заправить систему фреоном в сервисном центре.

    Подробнее
  • Характеристики

    Общие

    Напряжение
    24
    Номинальная мощность
    950
    Номинальный ток
    12-30
    Холодопроизводительность
    3000
    Хладагент
    R134a
    Масло
    POE68
    Количество заправляемого хладагента
    500 ±50 (Поставляется не заправленный)
    Максимальное рабочее давление на стороне выпуска
    1,7
    Максимальное рабочее давление на стороне всасывания
    0,3
    Производитель
    YUGFROST
    Габаритный размер конденсаторного блока (ДxШxВ)
    950*864*193
    Габаритный размер испарительного блока (ДxШxВ)
    420*262*160

    Электрический кондиционер

    Срок гарантии
    12 месяцев

    Габариты

    Вес, кг
    39
    Длина упаковки, см
    109
    Ширина упаковки, см
    93
    Высота упаковки, см
    38
    Подробнее
  • Гарантия

    1. ОБЩИЕ ПОЛОЖЕНИЯ

    1. Настоящие Условия определяют правила гарантийного взаимодействия продавца и потребителя вследствие приобретения товара на торговой площадке продавца в сети ИНТЕРНЕТ, размещенной на публичном адресе: https://yug-frost.ru/.

    2. При реализации своих прав стороны руководствуются Законом РФ от 07.02.1992 г. № 2300-1 «О защите прав потребителей», настоящими Условиями и иными применимыми правилами и нормами в области защиты прав потребителей.

    3. При определении гарантийного срока Продавец исходит из того, что определение гарантийного срока на товар, т.е. срока, в течение которого в случае обнаружения в товаре недостатка изготовитель, продавец, уполномоченная организация или уполномоченный индивидуальный предприниматель, импортер, обязаны удовлетворить требования потребителя, возложено непосредственно на Изготовителя. Продавец принимает на себя обязательства исключительно в рамках указанного Изготовителем срока.

    4. В случае, если гарантийный срок на Товар Изготовителем не обозначен, гарантийный срок составляет 14 (четырнадцать) дней с момента передачи товара покупателю.

    5. Ничто в действиях Сторон не должно расцениваться ни одной из них как обещание принятия дополнительных гарантийных обязательств, за исключением установленных и доведенных до сведения Потребителя способом, следующим из обстоятельств совершения сделки, в том числе путем публикации информации о гарантийном сроке в карточке товара на сайте Продавца.

    2. ОБМЕН ТОВАРА НАДЛЕЖАЩЕГО КАЧЕСТВА

    1. Непродовольственный товар надлежащего качества, приобретенный у продавца, если указанный товар не подошел по форме, габаритам, комплектации, подлежит обмену на аналогичный товар в течение 14 (четырнадцати) дней с момента его передачи Потребителю при единовременном соблюдении следующих условий:

    • товар не был в употреблении;
    • сохранены товарный вид, потребительские свойства, пломбы, фабричные ярлыки товара, упаковка;
    • имеется кассовый чек или иной документ, позволяющий установить факт оплаты товара.

    2. В случае, если аналогичный товар отсутствует в продаже на день обращения потребителя к продавцу, потребителю в течение 3 (трех) дней возвращается стоимость товара, за вычетом расходов, связанных с доставкой товара потребителю и его возвратом продавцу.

    3. ПРАВА ПОТРЕБИТЕЛЯ ПРИ ПРОДАЖЕ ТОВАРА ДИСТАНЦИОННЫМ СПОСОБОМ

    1. В случае продажи товара потребителю дистанционным способом, потребитель имеет право отказаться от товара в момент его получения либо не позднее 7 (семи) дней с момента получения товара.

    2. Товар подлежит возврату при одновременном соблюдении следующих условий:

    • товар не был в употреблении;
    • сохранены товарный вид, потребительские свойства, пломбы, фабричные ярлыки товара, упаковка;
    • имеется кассовый чек или иной документ, позволяющий установить факт оплаты товара.

    3. При возврате товара, приобретенного дистанционным способом, продавец в течение 10 (десяти) дней со дня предъявления требования возвращает потребителю стоимость товара за вычетом расходов, связанных с доставкой товара потребителю и его возвратом продавцу.

    4. ВОЗВРАТ ТОВАРА НЕНАДЛЕЖАЩЕГО КАЧЕСТВА

    1. Потребитель вправе предъявить требования, установленные ч. 1 ст. 18 Закона о защите прав потребителей в отношении товара ненадлежащего качества в течение установленного гарантийного срока, установленного изготовителем или продавцом. По истечении указанного срока обязанность по доказыванию причин проявления недостатка возлагается на покупателя.

    2. Продавец оставляет за собой право на индивидуальное рассмотрение каждого гарантийного случая с целью установления причины проявления недостатка товара, а также наличия или отсутствия в товаре брака завода изготовителя.

    3. С целью возврата товара покупатель предоставляет продавцу следующие документы:

    • чек или иной документ, подтверждающий факт приобретения товара;
    • заказ-наряд на установку товара на автомобиль, оформленный сертифицированной станцией технического обслуживания автомобилей (СТОА), позволяющий определить конкретное транспортное средство, перечень и объем выполненных работ;
    • информацию о юридическом лице (индивидуальном предпринимателе, физическом лице), выполнявшем работы;
    • заключение СТОА о наличии в товаре недостатка;
    • документы, подтверждающие оплату работ на СТОА;

    4. Не признается гарантийным случаем проявление в товаре недостатка вследствие:

    • несоответствия товара спецификации автомобиля;
    • нарушения правил эксплуатации транспортного средства, нарушения установленных изготовителем транспортного средства ограничений;
    • излишних вибрационных и ударных нагрузок;
    • повреждение в результате ДТП;
    • выход товара из строя вследствие его нормального износа;
    • наличия неисправностей топливной системы и системы выпуска вследствие применения некачественного топлива;
    • коррозии, вызванной применением промышленных и химических выбросов, кислотного или щелочного загрязнения воздуха, соков, продуктов жизнедеятельности птиц и животных, химически активных веществ, града, молнии, природных явлений;
    • монтажа товара вне специализированной СТОА, с нарушением требований и указаний изготовителя товара, в том числе по причине отсутствия в заказ-наряде указания на проведение обязательных сопутствующих работ, связанных с обязательной заменой других частей, без проведения которых устанавливаемый товар может выйти из строя.

    5. ДОПОЛНИТЕЛЬНЫЕ УСЛОВИЯ

    1. Рассмотрение претензии (заявления) потребителя осуществляется в течение срока, установленного действующим законодательством.

    2. Технически сложные товары, отнесенные к данной категории в соответствии с требованиями действующего законодательства, подлежат возврату и обмену с учетом ограничений, установленных законодательством.

    3. Продавец оставляет за собой право провести проверку качества товара, привлекая для этого собственных специалистов или третьих лиц, обладающих специальными познаниями.

    4. Во всем, что прямо не установлено настоящими Условиями, следует руководствоваться действующим законодательством.

    Подробнее
В наличии
Нет в наличии
Арт. a006606

ЭЛЕКТРИЧЕСКИЙ МОНОБЛОК AXI 3000 24V

53 000
Добавить в корзину

Поможем с подбором

Оригинальные и аналоговые запчасти, поможем подобрать нужные вместе с вами

Задать вопрос по товару
Подождите идёт расчёт доставки...
Способы оплаты:
Способы доставки:

Каталог

Ремонт и сервис
Делаем полную диагностику
состояния всей системы.
Узнать больше
Каталог
Ремонт и сервис
Делаем полную диагностику
состояния всей системы.
Узнать больше